Vishay Semiconductors VOx619A Phototransistor Output Optocouplers

Vishay Semiconductors VOx619A Phototransistor Output Optocouplers are designed for high-performance signal isolation in industrial and consumer applications. These devices feature a high current transfer ratio (CTR) across a wide range of input currents, ensuring reliable signal transmission even at low input levels. Housed in compact DIP and SMD packages, the Vishay Semiconductors VOx619A-3X0xT offer excellent insulation voltage ratings up to 5000VRMS and are compliant with safety standards such as UL, VDE, and CQC. The VOx619A series is optimized for low input current operation, making them ideal for energy-efficient designs. With a robust construction and wide operating temperature range, these optocouplers are well-suited for use in power supply feedback loops, microprocessor input interfaces, and signal isolation in noisy environments.

Features

  • High CTR at low forward current
  • High 80V collector emitter voltage
  • High 3750VRMS or 5000VRMS isolation voltage
  • Enhanced CTR linearity over temperature and forward current
  • Operating temperature up to +125°C
  • Lead-free, Halogen-free, Green device
  • RoHS-compliant

Applications

  • DC/DC converters
  • Programmable controllers
  • Power supplies
  • Signal transmission with galvanic and noise isolation

Specifications

  • Input
    • 5V or 6V maximum reverse voltage
    • 1.6V maximum forward voltage
    • 50mW maximum power dissipation
    • 30mA maximum forward current
    • 0.5mA to 10mA operating forward current range
    • 1.0A maximum surge forward current
    • 5µA or 10µA maximum reverse current
    • +135°C maximum junction temperature
  • Output
    • 80V maximum collector-emitter voltage
    • 80V minimum collector-emitter breakdown voltage
    • 7V maximum emitter-collector voltage
    • 7V minimum emitter-collector breakdown voltage
    • 30mA maximum collector current
    • 200nA maximum collector-emitter leakage current
    • 200mW maximum power dissipation
    • +135°C maximum junction temperature
  • Coupler
    • 0.3V maximum collector-emitter saturation voltage
    • 200mW maximum total power dissipation
    • -55°C to +125°C maximum ambient temperature range
    • +260°C maximum soldering temperature
  • Switching
    • 18µs maximum rise time, 6µs typical
    • 18µs maximum fall time, 8µs typical
  • 55/125/21 climatic classification per IEC 68 part 1
  • Pollution degree 2 per DIN VDE 0109
  • 175 comparative tracking index (CTI)
  • 150mW or 400mW output safety power options
  • 130mA or 250mA input safety current options
  • +150°C input safety temperature
  • ≥5mm to ≥8mm creepage/clearance distance range
  • ≥0.4mm insulation thickness

Datasheets

  • VO619A DIL-4 SMD Package
  • VOL619A 4-Pin LSOP, Long Creepage, Low Profile Package
  • VOM619A 4-Pin SOP, Low Profile Package
  • VOS619A 4-Pin SSOP, Half Pitch, Low Profile Package

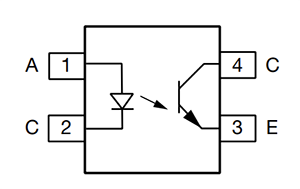
Schematic

Schematic - Vishay Semiconductors VOx619A Phototransistor Output Optocouplers

Infographic

Infographic - Vishay Semiconductors VOx619A Phototransistor Output Optocouplers
Published: 2025-08-27 | Updated: 2026-02-03