Texas Instruments TPD12S016 Value-Line HDMI Companion Chip
Texas Instruments TPD12S016 Value-Line HDMI Companion Chip for Portable Applications is a single-chip HDMI interface device with auto-direction sensing I2C voltage level shift buffers, load switch, and integrated high-speed ESD protection clamps. TPD12S016 HDMI Companion Chip offers eight low-capacitance ESD clamps, allowing HDMI 1.4 data rates. The integrated ESD circuits provide good matching between each differential signal pair, an advantage over discrete ESD solutions where variations between ESD protection clamps degrade the differential signal quality. Texas Instruments TPD12S016 HDMI interface chip provides a current limited 5V output (5V_OUT) for sourcing the HDMI power line. The current limited 5V output supplies up to 55mA to the HDMI receiver. This device is ideal for use in cell phones, eBooks, and portable media players.Features
- Conforms to HDMI Compliance Tests without any External Components
- IEC 61000-4-2 ESD Protection
- ±8-kV Contact Discharge
- Supports HDMI 1.4 Data Rate
- Matches Class D and Class C Pin Mapping
- 8-Channel ESD Protection for Four Differential Pairs With Ultra-Low Differential Capacitance Matching (0.05pF)
- On-Chip Load Switch With 55-mA Current Limit at the HDMI 5V_OUT Pin
- Auto-direction Sensing I2C Level Shifter with One-shot Circuit to Drive a Long HDMI Cable (750pF Load)
- Back-drive Protection on HDMI Connector Side Ports
- Integrated Pullup and Pulldown Resistors per HDMI Specification
- Space Saving 24-Pin RKT Package and 24-TSSOP Package
Applications
- Cell Phones
- eBook
- Portable Media Players
- Set-top Box
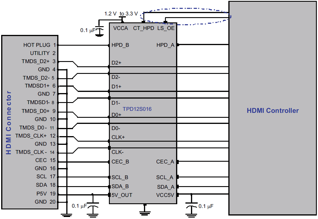
Simplified Schematic
Published: 2012-03-12
| Updated: 2022-03-11
