Texas Instruments ADC31RF80 Wideband Receiver & Feedback ICs

Texas Instruments ADC31RF80 14-Bit, 3GSPS, RF-Sampling Wideband Receiver and Feedback ICs support RF sampling with input frequencies up to 4GHz and further. The ADC31RF80 is designed for a high signal-to-noise ratio (SNR) and delivers a noise spectral density of –155dBFS/Hz as well as a dynamic range over a large input frequency range. A uniform input impedance across a wide frequency range is allowed by the buffered analog input with on-chip termination, minimizing sample-and-hold glitch energy. A dual-band, digital down-converter (DDC) with up to three independent, 16-bit numerically-controlled oscillators (NCOs) per DDC is included on the device for phase-coherent frequency hopping. The JESD204B serial interface with subclass 1-based deterministic latency is supported using data rates up to 12.5Gbps with up to four lanes. The TI ADC31RF80 has an industrial temperature range of (–40°C to +85°C).

Features

  • 14-Bit, 3GSPS ADC
  • Noise Floor: –155dBFS/Hz
  • RF Input Supports Up To 4.0GHz
  • Aperture Jitter: 90fS
  • Spectral Performance (fIN = 900MHz, –2dBFS):
    • SNR: 61.4dBFS
    • SFDR: 71dBc HD2, HD3
    • SFDR: 76dBc Worst Spur
  • Spectral Performance (fIN = 1.85GHz, –2dBFS):
    • SNR: 58.5dBFS
    • SFDR: 65dBc HD2, HD3
    • SFDR: 75dBc Worst Spur
  • On-Chip Digital Down-Converters:
    • Up to 2 DDCs (Dual-Band Mode)
    • Up to 3 Independent NCOs per DDC
  • On-Chip Input Clamp for Overvoltage Protection
  • Programmable On-Chip Power Detectors With Alarm Pins for AGC Support
  • On-Chip Dither
  • On-Chip Input Termination
  • Input Full-Scale: 1.35VPP
  • Support for Multi-Chip Synchronization
  • JESD204B Interface:
    • Subclass 1-Based Deterministic Latency
    • 4 Lanes Support at 12.5Gbps
  • Total Power Dissipation: 3.2W at 3.0GSPS
  • 72-Pin VQFN Package (10mm × 10mm)

Applications

  • Multi-carrier GSM cellular infrastructure base stations
  • Telecommunications receivers
  • DPD Observation receivers
  • Backhaul receivers
  • RF Repeaters and distributed antenna systems

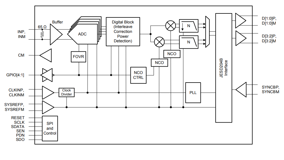
Block Diagram

Block Diagram - Texas Instruments ADC31RF80 Wideband Receiver & Feedback ICs
Published: 2018-07-18 | Updated: 2023-01-03