STMicroelectronics IPS1025H, IPS1025H-32, & IPS1025HF Switch ICs

STMicroelectronics IPS1025H, IPS1025H-32, and IPS1025HF Switch ICs are single high-side switch ICs that drive capacitive, resistive, or inductive loads with one side connected to the ground. These switch ICs have very low RDS-ON (≤25mΩ up to TJ = 125°C) making the ICs suitable for applications with up to 2.4A/5.6A steady-state operating current. The IPS1025H, IPS1025H-32, and IPS1025HF Switch ICs feature case over-temperature protection, ground disconnection protection, VCC over-voltage protection, and under-voltage lockout. These Switch ICs offer two different sets of activation threshold and limitation levels (IPKH, ILIMH, and IPKL, ILIML) for smart driving of capacitive loads. The IPS1025H, IPS1025H-32, and IPS1025HF Switch ICs are used in programmable logic control, vending machines, numerical control machines, and industrial PC peripheral input/output applications.

Features

  • 8V to 60V operating supply voltage range
  • Smart driving of capacitive load
  • Under-voltage lock-out
  • VCC over-voltage protection
  • Over-temperature event diagnostic pin
  • Fast demagnetization of inductive loads
  • Overload and over-temperature protection
  • Case over-temperature protection
  • Overload event diagnostic pin
  • Ground disconnection protection
  • Designed to meet IEC 61000-4-2, IEC 61000-4-4, and IEC 61000-4-5
  • Package powerSSO-24

Applications

  • Programmable logic control
  • Industrial PC peripheral input/output
  • Numerical control machines
  • General high-side switch
  • Vending machines

Block Diagram

Block Diagram - STMicroelectronics IPS1025H, IPS1025H-32, & IPS1025HF Switch ICs

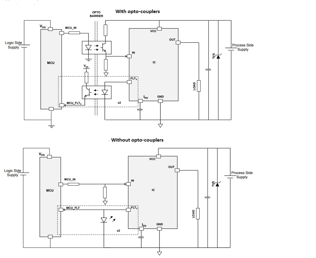
Typical Application Diagram

Application Circuit Diagram - STMicroelectronics IPS1025H, IPS1025H-32, & IPS1025HF Switch ICs
Published: 2022-04-19 | Updated: 2025-04-07