Qorvo ACT510x 23V Buck-Boost Converters
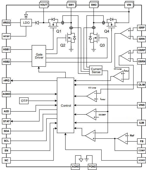
Qorvo ACT510x 23V Buck-Boost Converters with four integrated MOSFETs provide high efficiency, low component count, and compact solutions for a wide 3.9V to 23V input voltage range. The four internal low-resistance NMOS switches of these converters minimize the size of the application circuit and reduce power losses to maximize efficiency.The ACT510x buck-boost converters support programmable power supply (PPS) and offer thermal regulation and protection. These converters employ an advanced switch-control algorithm that allows maintaining output voltage regulation with input voltages that are above, below, or equal to the output voltage. Typical applications include power banks, car chargers, solar-powered devices, 24V industrial applications, solid-state lightings, and automotive power systems.
Features
- Buck-Boost converters with four integrated switches
- 3.9V to 23V wide VIN range (no dead zone)
- 3V to 23V output voltage range
- Supports PPS
- 2V to 5V at 100mA programmable output LDO
- Precision 0.5% voltage reference
- Built-in ADC for temperature, input and output voltage, and current monitoring
- Programmable output voltage and currents via both IC pins and I²C
- Thermal regulation and protection
- Programmable soft-start
- Programmable safety timer
- Enable pin for power on/off control
- Programmable via I²C:
- Output voltage
- Output current
- Output soft-start
- Thermally enhanced 32-lead 4mx4mm QFN package
Applications
- Car chargers
- Power banks
- Docking stations
- 24V industrial applications
- Automotive power systems
- Multiple power source supplies
- DC UPS
- Solar-powered devices
- Solid-state lighting
Evaluation Kits
39W USB-C/USB-A Dual Port Car Charger Reference Design
Functional Block Diagram
Published: 2019-09-11
| Updated: 2023-11-30
