onsemi NCV8163 LDO Regulators
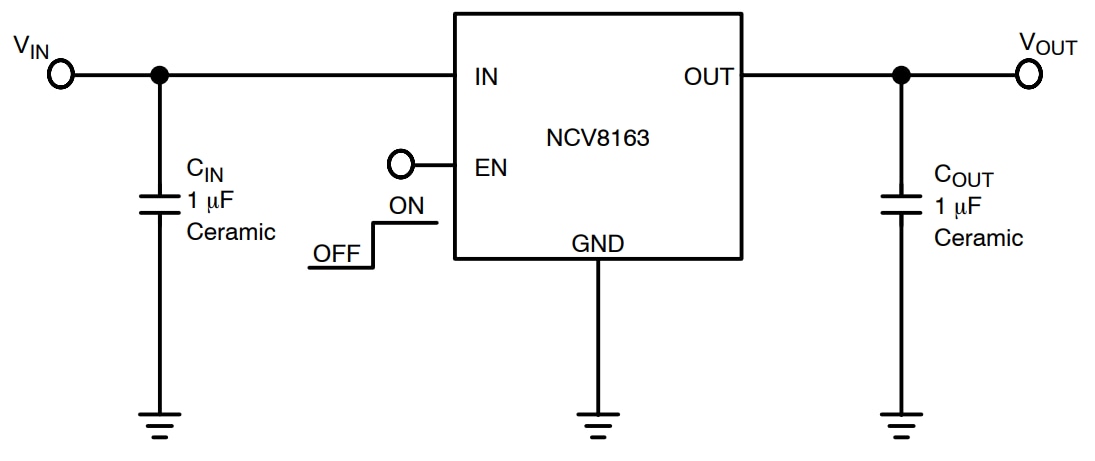
onsemi NCV8163 LDO Regulators are next-generation LDOs designed to meet the requirements of RF and sensitive analog circuits. These regulators are next generation of high Power Supply Rejection Ratio (PSRR), 250mA output current, and ultra-low noise. The NCV8163 regulators offer low quiescent current, excellent load/line transients, and high PSRR. These NCV8163 regulators are designed to work with a 1µF input and a 1µF output ceramic capacitor. Typical applications include ADAS, infotainment and cluster, telematics general purpose automotive, industrial building, factory automation, and smart meters.Features
- 2.2V to 5.5V operating input voltage range
- Available in fixed voltage options 1.2V to 5.3V
- ±2% accuracy over load/temperature
- Ultra-low quiescent current 12μA (typical)
- Standby current 0.1A (typical)
- Very low dropout 80mV at 250mA @ 3.3V
- Ultra high PSRR of 92dB (typical) at 20mA, f=1kHz frequency
- Ultra low noise of 6.5VRMS
- Stable with a 1µF small case size ceramic capacitors
- Available in XDFN4 1mm x 1mm x 0.4mm and TSOP-5 packages
- NCV prefix for automotive and other applications requiring unique site and control change requirements
- Grade-1 AEC-Q100 qualified and PPAP Capable
- These devices are Pb-free, halogen-free/BFR free, and are RoHS compliant
Applications
- ADAS, infotainment and cluster, and telematics
- General purpose automotive and industrial
- Building, factory automation, and smart meters
NCV8163 Block Diagram
NCV8163 Regulators Application Schematic
Published: 2018-07-12
| Updated: 2022-10-31
