Monolithic Power Systems (MPS) MPQ8623 Synchronous Step-Down Converter

Monolithic Power Systems (MPS) MPQ8623 Synchronous Step-Down Converter offers a compact solution that achieves up to 6A output current with excellent load and line regulation over a wide input supply range. The MPQ8623 operates at high efficiency over a wide output current load range. MPQ8623 adopts an internally compensated constant-on-time (COT) control that facilitates a fast transient response and facilitates loop stabilization. The operating frequency can be set to 600kHz, 1100kHz, or 2000kHz easily with MODE configuration, allowing the MPQ8623 frequency to remain constant regardless of the input and output voltages.

Features

  • Wide input voltage range
    • 2.85V to 16V with external 3.3V VCC bias
    • 4V to 16V with internal VCC bias or external 3.3V VCC bias
  • 6A output current
  • Programmable accurate current limit level
  • Low RDS(ON) integrated power MOSFETs
  • Proprietary switching loss reduction technique
  • Adaptive Constant-On-Time (COT) for ultrafast transient response
  • Stable with zero ESR output capacitor
  • 0.5% reference voltage over 0°C to +70°C junction temperature range
  • 1% reference voltage over -40°C to +125°C junction temperature range
  • Selectable forced CCM or pulse-skip operation
  • Excellent load regulation
  • Output voltage tracking
  • Output voltage discharge
  • PGOOD active clamped at a low level during power failure
  • Programmable soft-start time from 1.5ms and up
  • Pre-bias start-up
  • Selectable switching frequency from 600kHz, 1100kHz, and 2000kHz
  • Latch-off for OCP, OVP, UVP, OTP, and UVLO
  • Output adjustable from 0.9V to 0.9 x VIN up to 6V max
  • Available in a QFN-14 (2mm x 3mm) package

Applications

  • Telecom and networking systems
  • Servers, cloud-computing, storage
  • Base stations
  • General purpose Point-of-Load (PoL)
  • 12V distribution power systems
  • High-end TV
  • Game consoles and graphic cards

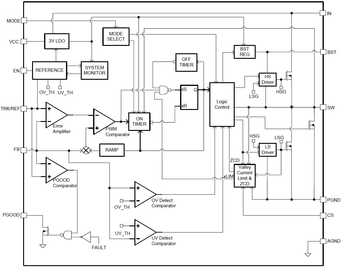
Block Diagram

Block Diagram - Monolithic Power Systems (MPS) MPQ8623 Synchronous Step-Down Converter
Published: 2018-10-24 | Updated: 2024-04-11