Monolithic Power Systems (MPS) MP44018A CrM/DCM Multi-Mode PFC Controller
Monolithic Power Systems (MPS) MP44018A CrM/DCM Multi-Mode PFC Controller provides simple and high-performance active Power Factor Correction (PFC) using minimal external components. The MP44018A features a very low supply current. This feature allows the device to achieve low standby power loss and the typical no load power is below 30mW. The switching frequency is reduced by dead time extension technology under light-load conditions, which improves light-load efficiency. The MP44018A also achieves lower THD due to variable-on-time control in Discontinuous Conduction Mode (DCM) when compared to conventional Constant-on-Time (COT) control.Multi-protection functionality largely enhances the safety and reliability of the system. The MP44018A feature over-voltage protection (OVP), over-current limit (OCL), over-current protection (OCP), under-voltage protection (UVP), brown-in (BI) and brownout (BO), static OVP, VCC under-voltage lockout (UVLO), and over-temperature protection (OTP).
The Monolithic Power Systems (MPS) MP44018A PFC Controller is available in a SOIC-8 package.
Features
- Valley Turn-On for minimum switching loss
- Frequency reduction to reduce switching loss under light-load conditions
- Low supply current in burst mode
- Soft-On/Off Burst for low audible noise
- Mains compensation
- Improved THD
- Under-voltage protection (UVP)
- Over-current limit (OCL)
- Over-current protection (OCP)
- Over-voltage protection (OVP)
- Brown-in (BI) and brownout (BO)
- Over-temperature protection (OTP)
- Open/short pin protection
- Soft start-up
- Enhanced dynamic response
- 125°C maximum junction temperature (TJ)
- SOIC-8 package
Applications
- LCD and OLED TVs
- Desktop PCs and servers
- High-power supply for lighting
- AC-DC adapters
- Open-frame SMPS
- Video game consoles
Typical Application Circuit
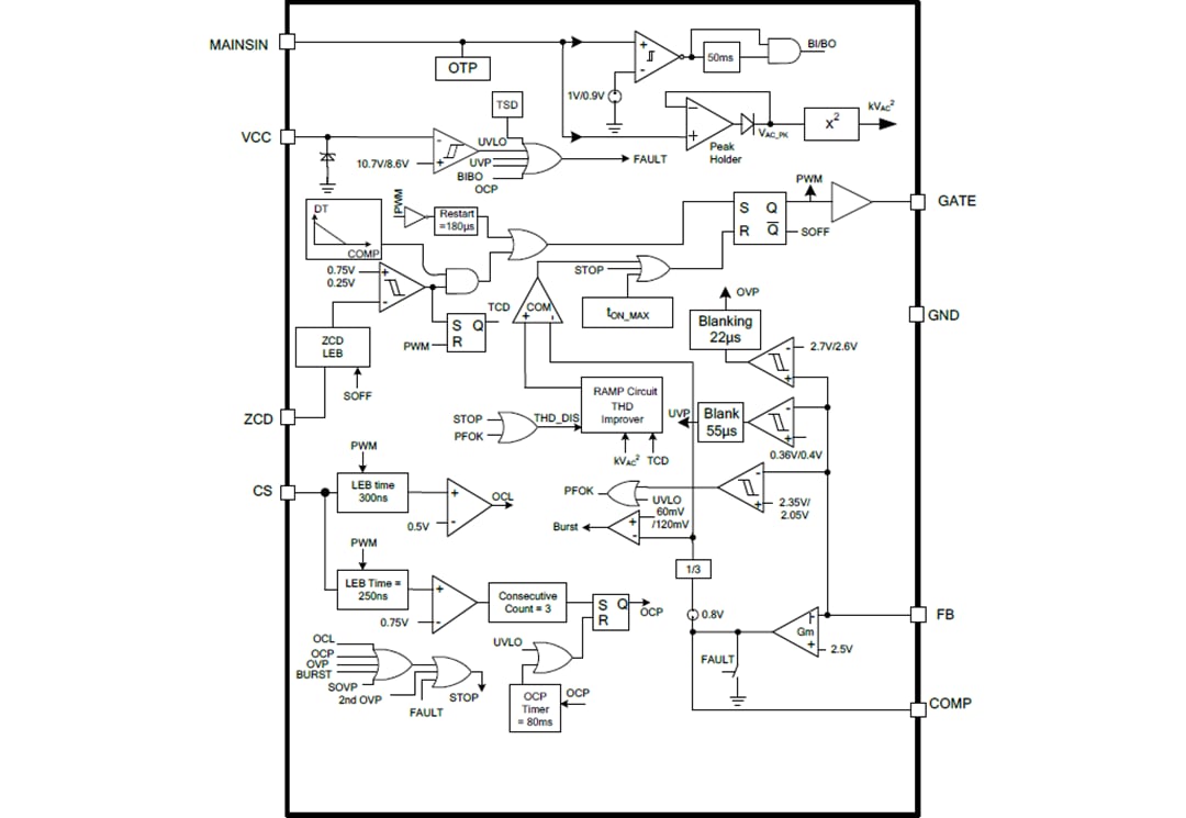
Block Diagram
Package Outline
Published: 2021-06-30
| Updated: 2024-10-15
