Monolithic Power Systems (MPS) EV2796-0000/0002-FP-00A Evaluation Boards

Monolithic Power Systems (MPS) EV2796-0000/0002-FP-00A Evaluation Boards are designed to demonstrate the capabilities of the MP2796, an Analog Front-End (AFE) monitoring and protection IC. This MP2796 IC supports 7-cell to 16-cell series battery packs with voltage measurement accuracy, current, and a set of protection features. The MP2796 IC includes high-side MOSFETs (HS-FETSs) and measures each cell’s voltage for discharge and charge control. This MP2796 offers internal passive-balancing MOSFETs and measures cell and die temperatures via four Negative Temperature Coefficient (NTC) thermistor inputs. The MOSFETs incorporate Over-Current Protection (OCP), Short-Circuit Protection (SCP), battery Under-Voltage Protection (UVP), and battery Over-Voltage Protection (OVP).

These evaluation boards feature high/low-temperature protection and a current sense resistor. The EV2796-0000/0002-FP-00A evaluation boards operate at 18V to 75.2V battery pack voltage range, 0V to 5V cell voltage range, and 0A to 70A continuous discharge current.

Features

  • Over-Current Protection (OCP)
  • Short-Circuit Protection (SCP)
  • Battery Under-Voltage Protection (UVP)
  • Battery Over-Voltage Protection (OVP)

Specifications

  • 18V to 75.2V battery pack voltage range
  • 0V to 5V cell voltage range
  • 0A to 70A continuous discharge current
  • >58mA external balancing current
  • 58mA internal balancing current

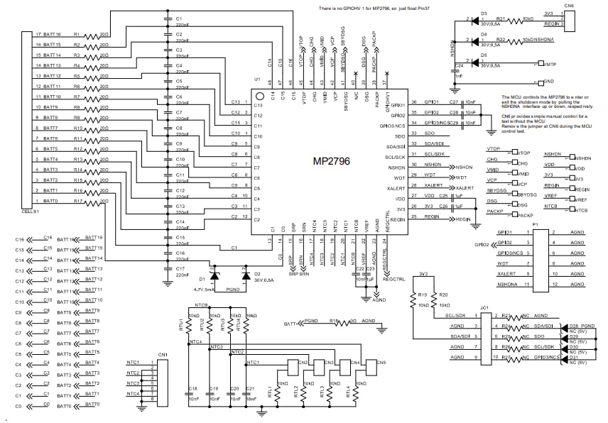
Schematic Diagram

Schematic - Monolithic Power Systems (MPS) EV2796-0000/0002-FP-00A Evaluation Boards
Published: 2024-02-27 | Updated: 2024-03-19