Lumissil IS32LT3138 Linear LED Driver
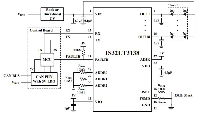
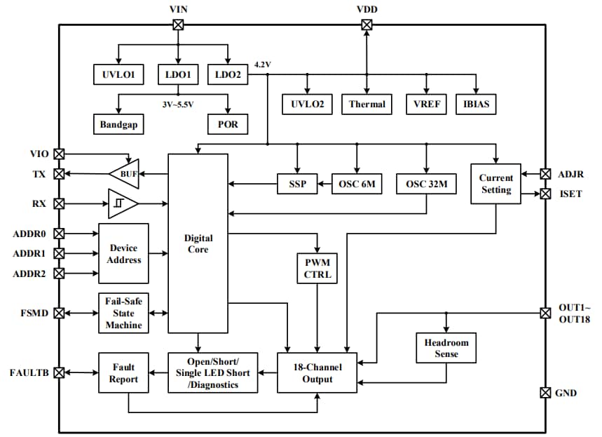
Lumissil IS32LT3138 Linear LED Driver is a linear programmable current regulator that consists of 18 output channels capable of 100mA maximum output current per channel. This LED driver includes a UART interface compatible with CANFD PHY for communication with a master Microcontroller (MCU) or ECU. The IS32LT3138 driver features 16V maximum output voltage, DC binning support (ADJR pin), and spread spectrum to optimize EMI performance. This LED driver integrates fault detection circuitry for open/short string, CRC error detection, over-temperature, and single LED short conditions.The IS32LT3138 driver operates from a 4.5V to 16V input voltage supply range and is available in WFQFN-32 (5mm x 5mm) package. This LED driver is AEC-Q100 qualified with temperature Grade 1 and complies with RoHS and TSCA standards. The IS32LT3138 driver is used in animation rear lights, animation trail lights, and animation daytime running lights applications.
Features
- UART communication interface with Lumibus protocol:
- UART communication with CRC to ensure the robustness of communication
- UART interface compatible with CANFD physical layer, 1MHz maximum
- Support up to 64 maximum addressable devices
- Support fail-safe mode
- Watchdog timer
- 18 channels capable of 100mA maximum current each:
- ±4.5% @100mA bit-to-bit output current mismatch
- ±5% @100mA device-to-device output current accuracy
- Individual PWM dimming to each channel:
- Phase delay minimizes inrush current (6 groups)
- 4096 steps (12-bit) PWM duty cycle setting:
- 7+5-bit at 24kHz
- 12-bit at 244kHz
- 8-bit at 24kHz
- Combined for higher current capability with the same current accuracy:
- Minimum headroom voltage of 0.5V (maximum) at 100mA
- 64 steps (6-bit) global current setting
- Slew rate control and spread spectrum optimize EMI performance
- Fault protection with reporting:
- Fail-safe modes selection
- Programmable over temperature current roll-off
- LED string open/short detect
- Single LED short detect
- Programmable fault reporting delay time
- Thermal shutdown
- ISET short to GND
- CRC error detection
- Individual 128 steps (7-bit) DC current adjustment to each channel
- DC binning support (ADJR pin)
- AEC-Q100 qualified with temperature Grade 1
Specifications
- 16V maximum output voltage
- 4.5V to 16V input voltage supply range
- ±2.5kV ESD (HBM)
- ±750V ESD (CDM)
- 150°C maximum junction temperature
Applications
- Animation tail lights
- Animation rear lights
- Animation daytime running lights
Functional Block Diagram
Typical Application Circuit Diagram
Published: 2023-08-01
| Updated: 2023-08-16
