Diotec Semiconductor BZX84B3V6 SMD Planar Zener Diode

Diotec Semiconductor BZX84B3V6 SMD Planar Zener Diode offers a sharp zener voltage breakdown and a low leakage current. This Zener diode features a typical junction-to-ambient thermal resistance of 420K/W and a 300mW power dissipation. The BZX84B3V6 SMD planar Zener diode is available in a UL 94V-0 case material with 260°C/10s solder and assembly conditions. This Zener diode complies with REACH, MSL 1, and conflict materials requirements. The BZX84B3V6 SMD planar Zener diode is ideal for voltage stabilization and regulators (for ESD protection), commercial/industrial grade, and AEC-Q101 compliant and qualified.

Features

  • ∼±2% tolerance of Zener voltage
  • Sharp Zener voltage breakdown
  • Low leakage current
  • Compliant with REACH and conflict minerals
  • 300mW power dissipation
  • 420K/W typical thermal resistance junction to ambient
  • UL 94V-0 case material
  • Moisture Sensitivity Level (MSL) 1
  • 260°C/10s solder and assembly conditions
  • -50°C to 150°C junction and storage temperature range

Applications

  • Voltage stabilization and regulators (for ESD protection)
  • Commercial
  • Industrial grade

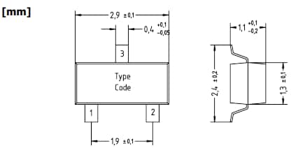
Dimesnion Diagram

Mechanical Drawing - Diotec Semiconductor BZX84B3V6 SMD Planar Zener Diode
Published: 2026-01-27 | Updated: 2026-02-09